🔋 GRATIS 4,0 Ah PROCRAFT sichern!

  • Lieferung in 1 - 2 Tagen
  • 100 Tage kostenfreie Rückgabe
  • Versand aus Deutschland
  • Wir liefern Werkzeug seit 2015
  • +1 Mio. Bestellungen
Benny Lucas

Tim und +781.246 folgen uns auf

Description

Package contents:

- 200x HECO MULTI MONTI plus MS Screw Anchors 7.5 x 40mm

Product description:

The MULTI MONTI plus screw anchor from HECO is the improved version of the MULTI MONTI concrete screw. One of its main advantages is that it can be inserted directly into a pre-drilled hole without the need for a dowel, and can be stressed immediately. It features a functional point with reinforced teeth that taps into the building material as it is being screwed in so by producing an integral connection for a perfect anchoring. In addition to simplifying the assembly process, the MULTI MONTI system guarantees optimum safety for the user. The MULTI MONTI plus can be fitted close to the edges without the need for a torque spanner and it can be dismantled and reused. Heco is a leading manufacturer of screws, renowned for the excellent quality of its products and its long tradition.

Technical specifications:

Manufacturer: HECO
Manufacturer's number: 49854
Manufacturer's designation: MULTI MONTI plus MS
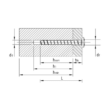
Mounting thickness, tfix1: 5 mm
drive size: T-30
Drill diameter, d0: 6.0 mm
Drill hole depth, h1: 40 mm
Through hole in attachment, df: 9 mm
Screw-in depth, hnom1: 35 mm
Thread length, lg: 37 mm
Head diameter, dk: 17.0 mm
Recommended max. power output of the impact wrench, Tmax1: 120 Nm
Minimum component thickness, hmin: 100 mm
Min. edge distance, cmin: 30 mm
Diameter, d: 7.5 mm
Length, l: 40 mm
Head design: Mounting rail anchor with flat round head
Drive: T-Drive
Surface: galvanised blue, A2K
Material: carbon steel
European technical assessment: ETA-15/0785
Fire resistance class: F120/R120
Sprinkler approval: Yes
General building authority approval: Z-21.1-2103

Product form

HECO MULTI MONTI plus MS Screw Anchor 7.5 x 40mm Concrete Screw flat round head T-Drive galvanised blue A2K 200pcs. (2x 49854)

SKU: 26145 EAN: 4064677024079
    €56,33
    Incl. VAT
    Direkt ist günstiger für Dich

    Preisvergleichs-Portale und Suchmaschinen verlangen bei jedem Kauf hohe Gebühren – oft über 20 % des Verkaufspreises. Diese Kosten zahlen am Ende immer die Kunden. Wir gehen einen anderen Weg: Statt Werbebudgets an große Plattformen zu zahlen, investieren wir lieber in faire Preise, BROpoints, Geschenke und exklusive Bestpreis-Deals, die Du nur direkt bei uns findest. Ohne Zwischenhändler. Ohne Aufschläge. Direkt für dich.

      100 Tage kostenfreie Retoure 100 days of free returns
      • American Express
      • Apple Pay
      • Google Pay
      • PayPal
      • Klarna
      • Mastercard
      • +12 more
      • Vendor
      • condition  New
      Smarte Produktberatung
      Rechnung, Versand & GPSR

      Versand & Rechnung durch: Dinotech e.K.

      Responsible Person for the EU (GPSR) EU-based economic operator that ensures the product complies with the necessary regulations.
      • HECO-Schrauben GmbH & Co. KG
      • Dr.-Kurt-Steim-Straße 28
      • 78713 Schramberg
      • Germany
      • +4974229890
      • info@heco-schrauben.de

      Description

      Package contents:

      - 200x HECO MULTI MONTI plus MS Screw Anchors 7.5 x 40mm

      Product description:

      The MULTI MONTI plus screw anchor from HECO is the improved version of the MULTI MONTI concrete screw. One of its main advantages is that it can be inserted directly into a pre-drilled hole without the need for a dowel, and can be stressed immediately. It features a functional point with reinforced teeth that taps into the building material as it is being screwed in so by producing an integral connection for a perfect anchoring. In addition to simplifying the assembly process, the MULTI MONTI system guarantees optimum safety for the user. The MULTI MONTI plus can be fitted close to the edges without the need for a torque spanner and it can be dismantled and reused. Heco is a leading manufacturer of screws, renowned for the excellent quality of its products and its long tradition.

      Technical specifications:

      Manufacturer: HECO
      Manufacturer's number: 49854
      Manufacturer's designation: MULTI MONTI plus MS
      Mounting thickness, tfix1: 5 mm
      drive size: T-30
      Drill diameter, d0: 6.0 mm
      Drill hole depth, h1: 40 mm
      Through hole in attachment, df: 9 mm
      Screw-in depth, hnom1: 35 mm
      Thread length, lg: 37 mm
      Head diameter, dk: 17.0 mm
      Recommended max. power output of the impact wrench, Tmax1: 120 Nm
      Minimum component thickness, hmin: 100 mm
      Min. edge distance, cmin: 30 mm
      Diameter, d: 7.5 mm
      Length, l: 40 mm
      Head design: Mounting rail anchor with flat round head
      Drive: T-Drive
      Surface: galvanised blue, A2K
      Material: carbon steel
      European technical assessment: ETA-15/0785
      Fire resistance class: F120/R120
      Sprinkler approval: Yes
      General building authority approval: Z-21.1-2103

      Warum Kunden uns vertrauen

      Tausende Handwerker und Heimwerker kaufen regelmäßig bei uns ein. Ihre Erfahrungen und Bewertungen helfen dir, die richtige Entscheidung zu treffen.

      • Über 1 Mio. Bestellungen seit 2021 📦
      • Versand aus Deutschland 🇩🇪
      • 100 Tage kostenfreie Retoure 🔙

      Deine Historie

        Log in

        Forgot your password?

        Don't have an account yet?
        Create account