• Lieferung in 1 - 2 Tagen
  • 100 Tage kostenfreie Rückgabe
  • Versand aus Deutschland
  • Wir liefern Werkzeug seit 2015
  • +1 Mio. Bestellungen
Benny Lucas

Tim und +781.246 folgen uns auf

Description

Package contents:

- 50x HECO MULTI MONTI plus MS Screw Anchors 7.5x60mm

Product description:

The MULTI MONTI plus screw anchor from the manufacturer Heco is an enhancement of the concrete screw MULTI-MONTI. A great advantage of this screw is that, without the need for wall plugs, the certified screw anchor is driven directly into a pre-drilled hole, where it is immediately loadable. Its reinforced toothed concrete thread cuts an internal thread into the building material while screwing. This creates a positive locking connection, which is subsequently used for the anchoring. The MULTI-MONTI-plus system is not only fast and easy to mount, but also ensures a secure connection. The screws can be mounted close to the edge and without a torque wrench, what´s more they can be removed and reused after checking the threads condition. Heco is one of the leading screw manufacturers, characterized by excellent manufacturing quality and a long tradition.

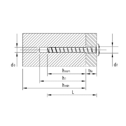
Technical specifications:

Manufacturer: HECO
Manufacturer Number: 49856
Manufacturer Designation: MULTI MONTI plus MS
Clamping Strength, tfix1: 5mm
Clamping Strength, tfix1: 25mm
Size of Recess: T30
Drill Diameter, d0: 5.0mm
Drill Hole Depth, h1: 60mm
Drill Hole Depth, h2: 40mm
Diameter of Clearance Hole in the Fixture, df: 9mm
Embedment, hnom1: 55mm
Embedment, hnom2: 35mm
Thread Length, lg: 57mm
Head Diameter, dk: 17.0mm
Max. Recommended Power Output of the Impact Screw Driver, Tmax1: 120Nm
Min. Thickness of Concrete Member, hmin: 100mm
Min. Edge Distance, cmin: 30mm
Diameter, d: 7.5mm
Length, l: 60mm
Head Form: Countersunk Head
Recess: T-Drive
Material: Carbon Steel
Surface: Blue Zinc Plated, A2K
 

Product form

HECO MULTI MONTI plus MS Screw Anchor 7.5x60mm, Concrete Screw, Round and Flat Head, T-Drive, Blue Zinc Plated, A2K, 50 pcs. (52374)

SKU: 26031 EAN: 4019787523745
    €24,65
    Incl. VAT
    Direkt ist günstiger für Dich

    Preisvergleichs-Portale und Suchmaschinen verlangen bei jedem Kauf hohe Gebühren – oft über 20 % des Verkaufspreises. Diese Kosten zahlen am Ende immer die Kunden. Wir gehen einen anderen Weg: Statt Werbebudgets an große Plattformen zu zahlen, investieren wir lieber in faire Preise, BROpoints, Geschenke und exklusive Bestpreis-Deals, die Du nur direkt bei uns findest. Ohne Zwischenhändler. Ohne Aufschläge. Direkt für dich.

      100 Tage kostenfreie Retoure 100 Tage kostenfreie Retoure
      • American Express
      • Apple Pay
      • Google Pay
      • PayPal
      • Klarna
      • Mastercard
      • +12 weitere
      • Vendor
      • condition  New
      Smarte Produktberatung
      Rechnung, Versand & GPSR

      Versand & Rechnung durch: Dinotech e.K.

      Responsible Person for the EU (GPSR) EU-based economic operator that ensures the product complies with the necessary regulations.
      • info@heco-schrauben.de
      • +4974229890
      • Germany
      • 78713 Schramberg
      • Dr.-Kurt-Steim-Straße 28
      • HECO-Schrauben GmbH & Co. KG

      Description

      Package contents:

      - 50x HECO MULTI MONTI plus MS Screw Anchors 7.5x60mm

      Product description:

      The MULTI MONTI plus screw anchor from the manufacturer Heco is an enhancement of the concrete screw MULTI-MONTI. A great advantage of this screw is that, without the need for wall plugs, the certified screw anchor is driven directly into a pre-drilled hole, where it is immediately loadable. Its reinforced toothed concrete thread cuts an internal thread into the building material while screwing. This creates a positive locking connection, which is subsequently used for the anchoring. The MULTI-MONTI-plus system is not only fast and easy to mount, but also ensures a secure connection. The screws can be mounted close to the edge and without a torque wrench, what´s more they can be removed and reused after checking the threads condition. Heco is one of the leading screw manufacturers, characterized by excellent manufacturing quality and a long tradition.

      Technical specifications:

      Manufacturer: HECO
      Manufacturer Number: 49856
      Manufacturer Designation: MULTI MONTI plus MS
      Clamping Strength, tfix1: 5mm
      Clamping Strength, tfix1: 25mm
      Size of Recess: T30
      Drill Diameter, d0: 5.0mm
      Drill Hole Depth, h1: 60mm
      Drill Hole Depth, h2: 40mm
      Diameter of Clearance Hole in the Fixture, df: 9mm
      Embedment, hnom1: 55mm
      Embedment, hnom2: 35mm
      Thread Length, lg: 57mm
      Head Diameter, dk: 17.0mm
      Max. Recommended Power Output of the Impact Screw Driver, Tmax1: 120Nm
      Min. Thickness of Concrete Member, hmin: 100mm
      Min. Edge Distance, cmin: 30mm
      Diameter, d: 7.5mm
      Length, l: 60mm
      Head Form: Countersunk Head
      Recess: T-Drive
      Material: Carbon Steel
      Surface: Blue Zinc Plated, A2K
       

      Warum Kunden uns vertrauen

      Tausende Handwerker und Heimwerker kaufen regelmäßig bei uns ein. Ihre Erfahrungen und Bewertungen helfen dir, die richtige Entscheidung zu treffen.

      • Über 1 Mio. Bestellungen seit 2015 📦
      • Versand aus Deutschland 🇩🇪
      • 100 Tage kostenfreie Retoure 🔙

      Deine Historie

        Log in

        Forgot your password?

        Don't have an account yet?
        Create account